|
Federler
plastik enjeksiyon kalıpçılığında ürünün istenilen bölgelerine
mukavemet kazandırmak, civata yuvalarının (Boss) yatmasını
önlemek, bazı özel durumlarda da dayanak ve tespit için kullanılırlar.
Plastik
enjeksiyon ürün, kalıp tasarımcı ve imalatçılarının en çok
karşılaştığı problemlerden birisi; feder yerlerinin tespiti
ve feder arkalarında oluşan çöküntü izleridir. Bu sorunun
üstesinden gelmek için federlerin yerleşim yerleri, çıkma
açıları ve ölçüleri uygun değerlerde olmalıdır.
Federlerde
yaşanan diğer bir sorun ise baskı işlemi sonrasında federin
koparak yuvada kalmasıdır. Genellikle elektrodu işlenerek,
dalma erozyon tezgahlarında açılan feder yuvaları, yetersiz
parlatma ve çıkma açısının düşük olması nedeniyle koparlar.
Böyle bir durumla karşılaşmamak için dalma erozyon tezgahlarında
feder boyunun son 0,2mm'si süper finiş seçeneğinde girilmeli,
çıkma açısı minimum 0,5º olmalı ve mümkünse parlatma kolaylığı
için feder bölgeleri lokmalı yapılmalıdır.
Feder
arkasında oluşan çöküntülerin enjeksiyon makinelerinde fazla
baskı (sıkıştırma) yapmak suretiyle alınmaya çalışılması hammadde,
enerji ve çevrim süresi açısından olumsuzluklar doğuracaktır.
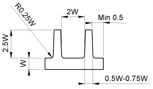
Aşağıdaki
teknik resmi beraber inceleyelim; Et kalınlığı W olan bir
ürün için feder boyu maximum 2,5W olmalı, en az 0,5º çıkma
açısı verilmeli ve federler ürüne R = 0,25W radüs ile bağlanmalıdır.
Feder başlangıç kalınlığı 0,5-0,75W'yi geçmemeli, iki feder
arası mesafe ise en az 2W olmalıdır.

Bu ölçüler dikkate alınarak yapılan tasarım ve imalatlarınızda,
federlerle ilgili karşılaşabileceğiniz problemlerinizin minimize
olduğunu göreceksiniz.
Not:
Bu raporu MS Word formatında indirmek için tıklayınız.
|