|
Özet
Bilgisayar
teknolojisi ile konvansiyonel imalat işlemlerinin entegrasyonu
modern takım tezgahlarını vücuda getirmiştir. CNC tezgahları
bir aşamada üç veya dört konvansiyonel takım tezgahının yapabileceği
operasyonları yapabilecek donanıma sahiptir. Üretim organizasyonunda
gelişen yeni fikirler, bir veya birçok imalat yöntemine oldukça
kolay ve en az insan gereksinimiyle adapte olabilen üretim
sistemleri meydana getirmektedir.
Anahtar
Kelimeler: CNC, takım tezgahı, koordinat sistemi, programlama
modu
Bilgisayarlı
Nümerik Kontrol (CNC), Nümerik Kontrollü (NC) tezgahların
ana esaslarına sahip, fakat ayrıca tezgah kontrol biriminde
isteği uygun şekilde belleğe depolanmış bir programa da sahiptir.
CNC büyük ölçüde NC fikrinin terk edilmesinden çok, mikro
elektronik alanındaki teknolojik gelişmelerin sonucudur.
CNC
takım tezgahlarının tamamının sağladığı en önemli ve birincil
fayda, otomasyona imkan tanımasıdır. CNC tezgahların kullanılması
suretiyle iş parçalarının imalatı esnasında operatörün müdahalesi
en aza indirilmekte veya tamamı ile ortadan kaldırılmaktadır.
Çoğu CNC takım tezgahları parça işlemesi esnasında dışarıdan
bir müdahale olmadan çalışabilmekte, böylece operatörün yapacağı
diğer işler için zaman bulmasına imkan tanımaktadır. Bu, CNC
tezgah sahibine, operatör hatalarının azaltılması, insan hatasından
kaynaklanan hataların en aza indirilmesi, işleme zamanının
önceden ve tam olarak tespit edilebilmesi gibi faydalar sağlar.
Makine program kontrolü altında çalışıyor olacağından, konvansiyonel
takım tezgahında aynı parçaları imal eden bir usta ile kıyaslandığında
CNC, operatörün temel işleme tecrübesi ile ilgili olan beceri
seviyesi oldukça azaltılmaktadır.
CNC
teknolojisinin ikinci temel faydası, iş parçalarının hassas
ve devamlı aynı ölçüde çıkmasıdır. Günümüzün CNC takım tezgahları
inanılması güç olan tekrarlama ve pozisyonlama hassasiyeti
değerlerine sahiptir. Bu ise program kontrol edildikten sonra,
iki, on, veya bin adet iş parçasının da aynı hassasiyet ve
ölçü tamlığında elde edilebilmesini sağlamaktadır.
CNC
takım tezgahlarının büyük bir bölümünde sunulan üçüncü önemli
fayda ise, esnekliktir. Bu makineler program vasıtasıyla çalıştığından,
bir başka iş parçasının işlemeye alınıp elde edilmesi diğer
makinelere oranla kıyaslanamayacak bir hızda yerine getirilmektedir.
Bir parça programı test edilip, işlemeye geçindikten sonra
başka bir program ile parça işlenip yine eski programa dönmek
gerektiği durumda, program kayıtlı olduğundan geçim işlemi
sadece bağlama aparatının hazırlanmasından başka bir şey olmamaktadır.
Bu da sonuçta parçadan parçaya geçim süresinin en hızlı zamanda
olması gibi bir başka faydayı da temin eder.
Bu
makinelerde hazırlık işlemi ve işleme operasyonuna geçim zamanı
çok kolay olduğundan ve programlar kolaylıkla yüklenebildiğinden,
parça işleme hazırlık zamanının çok kısa olması sağlanmaktadır.
1.1.
Hareket Kontrolü
Herhangi
bir CNC takım tezgahının en temel fonksiyonu otomatik, hassas
ve tam bir hareket kontrolü sağlayabilmesidir. Tüm CNC takım
tezgahlarında, iki veya daha fazla hareket doğrultusu vardır
ve bunlar eksen olarak adlandırılır. Bu eksenler hareket ettiği
doğrultu boyunca otomatik olarak hassas bir şekilde pozisyonlandırılır.
CNC
tezgahlarda kullanılan en yaygın eksen tipleri lineer (belirli
bir doğru boyunca tahrik edilen) ve döner (dairesel bir yay
boyunca tahrik edilen) eksenler şeklindedir.
Konvansiyonel
takım tezgahında bir mekanizmayı elle döndürmek suretiyle
kızak eksenlerine hareket vermek yerine, CNC tezgahlarda hareket,
eksenlere bağlı olan bir döndürme işlemiyle elde edilmektedir.
Şekil 1'de konvansiyonel bir takım tezgahında tabla hareketinin
nasıl yerine getirildiği, Şekil 2'de ise; ayni hareketin CNC
takım tezgahında nasıl yerine getirildiği gösterilmektedir.

Şekil 1. Konvansiyonel takım tezgahında tabla hareketi

Şekil 2. CNC takım tezgahında tabla hareketi
Konvansiyonel bir makine kızağı, el çarkını döndüren operatör
tarafından hareket ettirilir. Kızağın hassas pozisyonlandırılması
operatörün tur sayısını sayması ile elde edilen değere göstergede
gösterilen skalanın eklenmesi ile yerine getirilir.
Kontrol
sisteminde icra edilen CNC komutu, sürücü motora hassas olarak
kaç artım yapılacağını belirtir. Sürücü motorun dönmesi sonuçta
bilyeli vidayı döndürür, bilyeli vidanın dönmesi ile lineer
eksen tahrik hareket ettirilir. Bilyeli vidanın diğer ucunda
bulunan bir geri besleme cihazı kontrol sistemine komut olarak
verilen artım sayısına ulaşılıp ulaşılmadığını bildirir.
1.2.
Eksen Hareketlerinin Kontrolü
CNC
kullanıcısına programda verilen lineer hareket miktarını hesaplayıp
sürücü motorlara kaç tur daha dönmesi gerektiğini hesaplamasını
belirtmek gerçekçi olmayacaktır. Bunun yerine, tüm CNC kontrol
sistemleri koordinat sistemlerinin bazı yapılarını kullanmak
suretiyle esken hareketlerinin çok daha basit ve lojiksel
bir yapıda komut olarak verilmesine imkan tanır. CNC takım
tezgahlarında kullanılan iki popüler koordinat sistemi; kartezyen
koordinat sistemi ile polar koordinat sistemidir. Bununla
birlikte en yaygın olarak kullanılan koordinat sistemi kartezyen
koordinat sistemidir ve bu kısımda aksi belirtilmediği sürece
kartezyen koordinat sistemi kullanılacaktır.
Takım tezgahının her bir lineer ekseni bir grafikteki temel
bir çizgi gibi düşünülebilir. Grafiğin temel çizgileri gibi,
eksenler artım miktarlarına bölünür. CNC takım tezgahına ait
kartezyen koordinat sistemdeki her bir lineer eksen en küçük
ölçüm değerleri cinsinden artımlara bölünür. Metrik sistemde
en küçük artım birimi 0.001 mm dir. (Döner eksen için en küçük
artım birimi 0.001 derecedir).
Grafikte
olduğu gibi, CNC takım tezgahı koordinat sistemindeki her
bir eksenin de bir yerde başlangıç noktası olmalıdır. Yatay
ve dikey temel çizgilerin çakıştığı yer (her iki temel çizginin
de başlangıç noktası) grafiğin orijin (temel) noktası olarak
adlandırılır. Bu orijin noktası CNC'lerde yaygın olarak program
sıfır noktası (ayni zamanda iş parçası sıfır noktası, iş parçası
sıfırı, veya program orijini olarak da adlandırılır) olarak
adlandırılır.
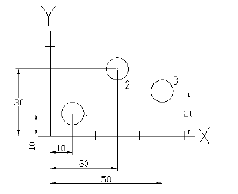
Şekil
3 eksen hareketlerinin CNC takım tezgahında yaygın olarak
nasıl belirtilebileceğini göstermektedir. Bu örnekte kullandığımız
iki eksen X ve Y olarak adlandırılmaktadır. CNC takım tezgahında
eksen isimlerinin değişebileceği düşünülmelidir (eksenleri
adlandırmada kullanılan yaygın isimler arasında X, Y, Z, A,
B, C, U, V ve W gösterilebilir); bu örnek sadece eksen hareketlerinin
nasıl kumanda edildiğini göstermek amacıyla verilmektedir.
Şekilde
3 te görüldüğü gibi, iş parçasının sol alt köşesi her bir
eksenin sıfır noktasına uygun düşecek şekilde alınmıştır;
yani iş parçasının sol alt köşesi program sıfır noktası olarak
alınmaktadır. Programı yazmadan evvel, programcı ilk olarak
program sıfır noktasının parça üzerinde neresi kabul edileceğini
belirler. Tipik olarak program sıfır noktası tüm ölçülerin
başladığı nokta olarak seçilir.
Bu
teknik ile, programcı program sıfır noktasının sağ tarafındaki
10 mm'lik pozisyona takımı göndermek istediği takdirde programda
X10.0 kodunu kullanır. Eğer programcı takımı program sıfır
noktasından 10 mm yukarıda bulunan bir pozisyona göndermek
ister ise programa Y10.0 şeklinde komut vermesi gerekir. Kontrol
sistemi, komut olarak verilen pozisyona ulaşması için eksene
hareket veren servomotorun ve buna akuple edilmiş olan bilyeli
vidanın kaç artım döndürülmesi gerektiğini otomatik olarak
hesaplar. Bu sayede programcıya eksen hareketlerinin çok daha
basit bir yapıda verdirilmesi gibi bir yarar sağlar. Şekil
3'te verilen örnekte takımın program sıfır noktasından 1 ile
belirtilen pozisyona gitmesi için X10.0 Y10.0 seklinde bir
komutun verilmesi gereklidir.

Şekil 3. CNC tezgahta eksen hareketlerinin kumanda edilmesi
Bu kısma kadarki örneklerde, tüm noktalar program sıfır noktasının
ya sağında veya yukarısında kalacak şekilde verilmiştir. Program
sıfır noktasının sağı ve yukarısı ile oluşturulan bu alan
kuadrant olarak (bizim örneğimizde 1nci kuadrant) adlandırılır.
CNC tezgahlarda programlama esnasında eksene hareket verdirmek
için gerekli olan bitiş noktası koordinatlarının diğer kuadrantlarda
verilmesi pek yaygın değildir. Bununla birlikte böyle bir
durum ile karşılaşıldığı durumda en azından eksen koordinatlarından
bir tanesinin eksi işaretli olarak verilmesi gerekmektedir.
Şekil 4'te dört adet kuadrant ve bunlara uygun düşen eksen
koordinat değerlerinin işaretleri gösterilmektedir.

Şekil 4. Programlamada kullanılan kuadrant bölgeleri
1.3.
Absolute (Mutlak) Ve Incremental (Artımsal) Hareket
Bu
kısma kadar bahsedilen tüm koordinat değerleri mutlak programlama
modu kabul edilmek suretiyle verilmiştir. Mutlak programlama
modunda, eksen hareketleri için gerekli olan koordinatların
bitiş noktaları program sıfır noktası baz alınmak suretiyle
belirtilir. Programlamaya yeni başlayanlar için, hareket komutlarının
verilmesi esnasında, bitiş noktası koordinatlarının bu mod
ile verilmesi en kolay ve pratik olan bir yoldur. Bununla
birlikte eksen hareketleri için gerekli olan bitiş noktası
koordinatlarının belirtilmesinde bir başka yol (artımsal)
da kullanılmaktadır.
Artımsal
modda, hareket için gerekli olan bitiş noktaları takımın mevcut
konumunun referans alınması suretiyle belirtilir. Burada program
sıfır noktası baz olarak alınmamaktadır. Bunun yerine takımın
bulunduğu konum referans alınmaktadır. Hareket komutlarının
verilmesinde programcı daima "takımı daha ne kadar hareket
ettirmeliyim?" sorusunu kendisine soruyor olacaktır.
Bazı durumlarda artımsal mod çok faydalı olsa da, genel olarak
bu metot ile program yazmak oldukça zor bir yoldur. Hareket
komutlarını verirken dikkatli olunması gerekmektedir. Genel
olarak programlamaya yeni başlayanlar, artımsal modda program
yapma eğilimindedirler. Mutlak programlama modunda çalışma
durumunda programcı daima "takım hangi pozisyona hareket
ettirilecek?" sorusunu kendisine sorar. Bu pozisyon değeri
program sıfır noktasına göre elde edilen pozisyon değeridir.
Mutlak
modda program yazma esnasında verilecek hareket komutu için
pozisyon belirleme olayının çok kolay olmasının yanında, bu
modda çalışmanın bir başka yararı da hareket komutlarının
verilmesi esnasında hata yapma olayının en aza indirilmesidir.
Programlama esnasında bir hareket komutunda hata yapılmış
ise, sadece bu kısımdaki komut düzeltilir; diğer kısımlarda
düzeltme yapılmasına gerek yoktur. Diğer taraftan artımsal
modda benzeri bir hata yapıldığında ise, ayni hata hatanın
yapıldığı noktadan sonraki diğer tüm kodlara yansıyacak ve
bu da işi oldukça zorlaştıracaktır.
1.4.
Program Sıfır Noktasının Atanması
CNC
kontrol sisteminde program sıfır noktasının bir şekilde belirtilmesi
gerekmektedir. Bu sıfır noktasının belirtilme yöntemi makineden
makineye ve kontrolden kontrole farklılık gösterir. Bununla
birlikte çoğu kontrol sistemi imalatçısı aşağıda bahsedilen
yöntemlerden bir tanesini veya ikisini kullanmak suretiyle
program sıfırının atanmasını bünyesinde barındırır. Bu yöntemlerden
eski bir metot olan birinci metot da program sıfır noktası
program içinde atanmaktadır. Bu metot ile programcı program
sıfır noktasının takımın bulunduğu konuma göre nerede bulunduğunu
G92 kodunu kullanmak suretiyle belirtir. Genel olarak bu kod
ya programın başında veya takım çağırma işlemi sonrasında
belirtilir.
1.5.
CNC Programı
Çoğunlukla
piyasada bulunan CNC kontrol sistemlerinin tamamı programlama
amacıyla kelime adres formatını kullanırlar. Kelime adres
formatından farklı olarak bazı CNC kontrol sistemi imalatçıları
nadiren de olsa Diyalog Sistemli Programlama vasıtasıyla programların
yapılmasına imkan tanırlar. Buna karşın, bu çalışmada kelime
adres formatı ile programlama işleminin nasıl yapılacağı konusuna
değinilecektir. Kelime adres formatında CNC tezgah programı
cümle benzeri komutlardan oluşmaktadır. Cümle benzeri komutlar
ise kelime olarak adlandırdığımız bileşenlerden oluşmaktadır.
Bir kelime ise, harfleri ifade eden bir adres ile bunu takip
eden sayısal bir ifadeden oluşmaktadır. Harfler CNC kontrol
sistemine kelime tipini (X, Y, Z, R, T, S, M v.s.), bunu takibeden
sayısal değer ise bu adresin alacağı sayısal değeri belirtir.
Türkçe'de kullanılan cümlelerin kelimeler vasıtasıyla oluşturulduğu
gibi, CNC tezgah programı da bir dizi CNC tezgaha özgü cümlelerin
arda arda sıralanması ile oluşturulur. Aşağıda verilen örneğe
bakınız:
CNC
tezgah programının oluşturulabilmesi için CNC tezgah programcısı
verilen iş parçasını islemek için gerekli olan işlem basamaklarını
ilk olarak gözünde canlandırır ve canlandırdığı işleme operasyon
sırasına göre parça programını oluşturur. Sonuçta hafızasında
canlandırdığı işlem operasyonlarını kademe-kademe CNC tezgaha
program olarak yazar. Programcı programı yazmadan evvel parçayı
işleyebilmek için, ne tür takımlara gereksinim duyulduğunu
ve bu takımların hangi sıra ile işleme operasyonunu yapacağını
ve bu işleme operasyonlarının nasıl bir sıra takip edilmek
suretiyle yerine getirileceğini hafızasında canlandırmalıdır.
Eğer bu canlandırma operasyonunu programcı yerine getiremiyor
ise, programlama esnasında problemler ile karşılaşacak ve
parça programını yazamayacaktır. İşte usta makine operatörlerinin
neden en iyi CNC tezgah programcısı oldukları gerçeğinin ardında
bu yatar. Deneyimli bir makine operatörü, yapılmakta olan
herhangi bir işleme operasyonunu hafızasında rahatlıkla canlandırabilme
kabiliyetine sahiptir.
Bir CNC tezgahta parçayı işlemek için gerekli olan programda
CNC tezgaha işleme operasyonunu adım adım terfi eden işleme
operasyon basamaklarından (cümle) oluşmaktadır. Eğer programda
bir hata yapılmış ise, işlenmek amacıyla programlanan iş parçası
elde edilemeyecektir. Aşağıda CNC işleme merkezinde iş parçası
üzerinde iki adet delik delen bir program verilmektedir. Programda
parantez içinde belirtilen komutlar yerine bunların CNC tezgah
dilinde karşılıkları verilmiştir:
| % |
|
| O1; |
Program
numarası |
| N005
G54 G90 S400 M03; |
Koordinat
sisteminin, mutlak modun seçimi ve iş milini saatin dönüş
yönünde 400 dev/dak'da döndürme |
| N010
G00 X1. Y1.; |
İlk
deliğin XY koordinatına pozisyonlama |
| N015
G43 H01 Z0.1 M08; |
Takım
boyu telafisinin verilmesi ve takımı 0.1 inç yukarıya
pozisyonlama, suyu açma |
| N020
G01 Z-1.25 F3.5; |
3.5
inç/mm ilerleme ile ilk deliğin delinmesi |
| N025
G00 Z0.1; |
Delikten
takımı hızlı olarak referans noktasından 0.1 inç yukarı
çıkarma |
| N030
X2.; |
İkinci
deliğe hızlı olarak pozisyonlama |
| N035
G01 Z-1.25; |
3.5
inç/mm ilerleme ile ikinci deliğin delinmesi |
| N040
G00 Z0.1 M09; |
Delikten
takımı hızlı olarak referans noktasından 0.1 inç yukarı
çıkarma |
| N045
G91 G28 Z0.; |
Z
ekseninde sıfır noktasına gitme |
| N050
M30; |
Program
sonu, başa dön |
| % |
|
Bu
programdaki kelimeler ve komutlar CNC programının verilen
zincirleme bir sıra ile icra edileceğini belirtmektedir. Kontrol
sistemi ilk olarak programda bulunan ilk satırı (cümle) okur,
yorumlar ve icra eder, bu satırın işlenmesi bittikten sonra
sonraki satıra geçer ve o satırı okur, yorumlar ve icra eder.
İşlem tüm satırlar sıra ile okunup, yorumlanıp icra edildikten
sonra sona erer.
Şu
ana kadar belirtildiği gibi CNC programı komutlardan, komutlar
ise kelimelerden oluşmaktadır. Her bir kelime bir harf adresinden
ve bunu takibeden sayısal bir değerden oluşmaktadır. Harf
adresi kontrol sistemine kelime tipini belirtir. CNC kontrol
sistemi imalatçıları harf adreslerinin ne ifade ettiğini önceden
belirlemişlerdir. Her ne kadar harf adreslerinde ufak tefek
farklılıklar görülse de CNC kontrol imalatçılarının hemen
hemen tamamına yakınının mutabık olduğu harf adresleri ve
bunların anlamları aşağıda belirtilmektedir.
O
Program numarası
N Satır numarası
G Hazırlık fonksiyonu
X X ekseni
Y Y ekseni
Z Z ekseni
R Yarıçap
F İlerleme
S İs mili devri
H Takım boyu telafisi
D Takım yarıçap telafisi
T Takım seçme
M Ek fonksiyonlar
Görüldüğü
gibi çoğu harf adresleri lojiksel bir ifade olacak şekilde
seçilmiştir. Bu sebeple akılda tutulmaları çok kolaydır. Özel
fonksiyonları belirtmek için G ve M den oluşan iki harf adresi
vardır. G hazırlık fonksiyonu yaygın olarak CNC tezgah modlarını
belirtmek amacıyla kullanılır. Mutlak mod CNC tezgah programında
G90 kodu ile belirtilir. Artımsal mod ise G91 kodu ile belirtilir.
Bu iki kod CNC tezgahlarda kullanılan hazırlık fonksiyonlarından
sadece iki tanesidir.
Hazırlık
fonksiyonları gibi, ek fonksiyonlar da (M kodları) çok çeşitli
özel fonksiyonların programlanmasına imkan tanırlar. Genel
olarak ek fonksiyonlar programlanabilir anahtarlar olarak
kullanılır. Ayrıca bu fonksiyonlar CNC kontrol sisteminde
bulunan diğer programlanabilir fonksiyonların programlanmasında
da kullanılırlar.
1.6.
Desimal Nokta Programlama
Bazı
harf adresleri sayısal değerlerin reel olarak (ondalıklı)
belirtilmesine imkan tanırlar. Bunlara ilişkin örnek olarak
X, Y ve R harf adresleri verilebilir. CNC kontrol sistemlerinin
mevcut modellerinin hemen hemen tamamı desimal noktanın her
bir harf adresinde kullanılmasına imkan tanırlar. Diğer taraftan,
bazı harf adresleri tam sayıları ile belirtilecek şekilde
kullanılır. Bunlara örnek olarak iş mili devrinin S, takım
numarasının T, sıra numarasının N, hazırlık fonksiyonunun
G ve ek fonksiyonların M sayısal değerlerinin tam sayı olarak
belirtilmesi gösterilebilir.
1.7. Diğer Programlanabilir Fonksiyonlar
CNC
kontrol sistemlerinin hemen hemen tamamı eksen hareketleri
haricinde programlanabilir fonksiyonlara sahiptir. Günümüzün
CNC ekipmanlarında, makine ile ilgili olan hemen her şey programlanabilmektedir.
Örneğin; CNC işleme merkezlerinde iş mili devri ve dönme yönü,
soğutma suyu, takım değiştirme ve makine ile ilgili çoğu fonksiyonlar
programlanabilir değerlerdir. Tüm CNC ekipmanları kendilerine
özgü programlanabilir fonksiyonlara sahiptir. Ek olarak prob
sistemleri, takım boyu ölçme sistemleri, palet değiştiriciler
ve adaptif kontrol sistemleri gibi bir takım aksesuarlar CNC
kontrol sistemlerinde ve bunların akuple edildiği CNC tezgahlarda
bulunabilmekte ve programlanabilmektedir.
1.8.
Sonuç ve Öneriler
Üretim
süreci düşünüldüğünde CNC ile yapılan imalat işlemleri, üretim
maliyeti, zaman ve teknik açılardan oldukça yararlı sonuçlar
vermektedir.
Hazırlık
aşamasındaki belirsizliklerin giderilmesi ile programlama
aşamasında daha hızlı ve sağlıklı kararların alınması sağlanabilecektir.
Ülkemizde
artık CNC teknolojisi küçük firmalar tarafından bile benimsenmiştir.
Eğitim kurumlarının da ders programlarını bu tür yeni teknolojileri
içerecek şekilde geliştirmeleri ve gerekli laboratuar/ atelye
donanımlarını piyasanın beklentileri doğrultusunda dizayn
etmeleri kaçınılmaz olmuştur. Ayrıca bu alanlarda ülkemizde
ve uluslar arası alanlarda düzenlenen konferanslara, seminerlere
ve fuarlara katılmak ve yayın üretmekle daha iyi sonuçlar
alınacağı muhakkaktır.
KAYNAKLAR:
1. www.ankacnc.com
2. www.TurkCADCAM.net
3. www.formcnc.com.tr
4. YAĞMUR L., "Tasarım
ve İmalatta CNC ve CAD/CAM Sistemlerinin Fonksiyonları",
Metal Makine Dergisi, Sayı:149, Sayfa 436-554, Eylül-Ekim
2004.
5. "AKKURT, M., "Bilgisayar Destekli Takım Tezgahları
(CNC) ve Bilgisayar Destekli Tasarım ve İmalat (CAD/CAM) Sistemleri
", Birsen Yayınevi, İstanbul, 1996
6. Albert M.,"The canging of CNC programming", www.mmsonline.com
7.
ÇAKIR, M. C., 2000. "Modern Talaşlı İmalat Yöntemleri",
Vipaş. Bursa.
8. "AKKURT, M., 1992, "Takım Tezgahları", İstanbul.
9. GROOVER, P. M., 1996, "Fundamentals Of Modern Manufacturing",
New Jersey.
10. BOOTHROYD, G., and KNIGHT, W. A., "Fundamentals of
Machining and Machine Tool", 2. Ed., Marcel Dekker Inc.,
USA., 1989.
11. BLACK, J.T.,"Machining", Metals Handbook,Vol.
16, ASM International,1989
|