07-04-2017
1480
FSN
Ankara
|
Çelik parçaların talaşlı imalatı?..
Üretim yaptığımız sistemde kullanılmak üzere teknik resimleri verilen parçaların belirtilen adetlerde imalatı için tekliflerinizi bekliyoruz...
İlgili dosyalar: pdf formatlı teknik resimler.
XXXXX.zip (açık link, üye firmalara ayrıca gönderilmiştir) |

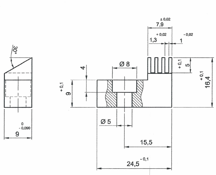
1.000 Adet, malzeme: ST37 soğuk çekme lama

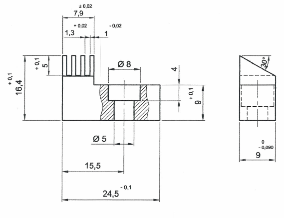
1.000 Adet, malzeme: ST37 soğuk çekme lama

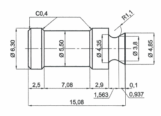
5.000 Adet, malzeme: otomat çeliği