05-09-2015
1282
FSN
Bursa
|
3 farklı parçanın toplam 450 adet talaşlı imalatı?..
Teknik resmi verilen parçaların her birinden 150 adet imalat için tekliflerinizi bekliyoruz... |

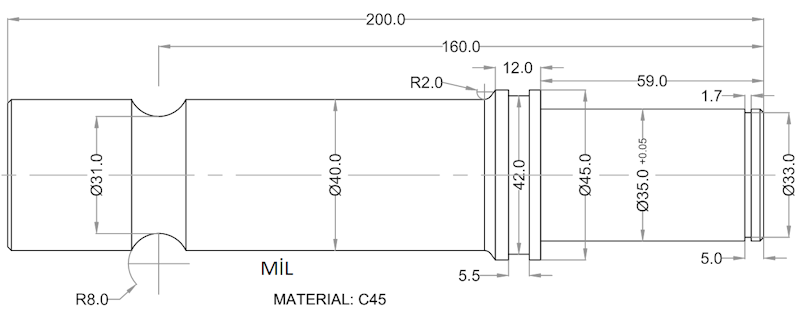
C45 malzemesinden 200 mm uzunluğunda en geniş çapı 45 mm mil

C60 malzemesinden dış çapı 220 mm ve genişliği 81 mm tekerlek

ST37 malzemesinden 5 mm et kalınlığında 20 mm genişliğinde boşluk parçası