12-04-2014
1152
FSN
İstanbul
|
3 farklı parçanın talaşlı imalatı?..
Teknik resimleri verilen 3 farklı parçanın belirtilen malzemeden ve belirtilen adetlerde talaşlı imalatı için tekliflerinizi bekliyoruz. |

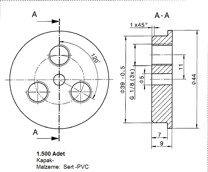
TE-1943
Malzeme : sert - PVC
Miktar: 1.500 adet

TE-1949
Malzeme : aluminyum 6060 T66
Miktar: 10.000 adet
Miktar: 15.000 adet

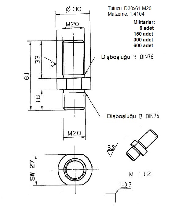
TE-1954
Malzeme : paslanmaz AISI 430F, ( X12CrMoS17 )
Miktar: 6 adet
Miktar: 150 adet
Miktar: 300 adet
Miktar: 600 adet