23-12-2013
1118
FSN, KLP
Eskişehir
|
İhracata yönelik muhtelif imalat işleri?..
Yurt dışındaki müşterilerimiz için aşağıdaki işleri üstlenebilecek firmaların bizimle irtibata geçmesini ve tekliflerini bekliyoruz;
İlgili dosyalar (detaylı teknik resimler): XXXXX.zip
(açık link, üye firmalara ayrıca gönderilmiştir) |
3101301643-Model.jpg)
Proje No: 1
Parça Adı: Washer1
Resim Numarası: 3101 301 643
İstenen Adet: 20.000
Ödeme: %30 Siparişte, %70 nakliye öncesi
Açıklama: Lütfen ihracat kayıtlı, KDV siz ve Euro olarak teklif veriniz. Teklif esnasında paketleme, ağırlık ve palet ölçülerininde belirtilmesi gereklidir.

Proje No: 2
Parça Adı: Housing 25 53.5 10/15
Resim Numarası: WA17-1
İstenen Adet: 20.000
Ödeme: %30 Siparişte, %70 nakliye öncesi
Açıklama: Lütfen ihracat kayıtlı, KDV siz ve Euro olarak teklif veriniz. Teklif esnasında paketleme, ağırlık ve palet ölçülerininde belirtilmesi gereklidir.
Proje No: 3
Parça Adı: Housing 30 53.5 10/14
Resim Numarası: WA17-2
İstenen Adet: 20.000
Ödeme: %30 Siparişte, %70 nakliye öncesi
Açıklama: Lütfen ihracat kayıtlı, KDV siz ve Euro olarak teklif veriniz. Teklif esnasında paketleme, ağırlık ve palet ölçülerininde belirtilmesi gereklidir.

Proje No: 4
Parça Adı: Plain Washer M6 x 11.6 x 1.6
Resim Numarası: 310 130 1416-S
İstenen Adet: 30.000
Ödeme: %30 Siparişte, %70 nakliye öncesi
Açıklama: Lütfen ihracat kayıtlı, KDV siz ve Euro olarak teklif veriniz. Teklif esnasında paketleme, ağırlık ve palet ölçülerininde belirtilmesi gereklidir.

Proje No: 5
Parça Adı: Conical Washer 8.3 x 35.5 x 4.6
Resim Numarası: 9912 000143-S-R1
İstenen Adet: 30.000
Ödeme: %30 Siparişte, %70 nakliye öncesi
Açıklama: Lütfen ihracat kayıtlı, KDV siz ve Euro olarak teklif veriniz. Teklif esnasında paketleme, ağırlık ve palet ölçülerininde belirtilmesi gereklidir.

Proje No: 6
Parça Adı: Shaft cooler SE350 & 300
Resim Numarası: 8910 313 047
İstenen Adet: 20.000
Ödeme: %30 Siparişte, %70 nakliye öncesi
Açıklama: Lütfen ihracat kayıtlı, KDV siz ve Euro olarak teklif veriniz. Teklif esnasında paketleme, ağırlık ve palet ölçülerininde belirtilmesi gereklidir.

Proje No: 7
Parça Adı: Shaft cooler SE500
Resim Numarası: 8910 400 447
İstenen Adet: 20.000
Ödeme: %30 Siparişte, %70 nakliye öncesi
Açıklama: Lütfen ihracat kayıtlı, KDV siz ve Euro olarak teklif veriniz. Teklif esnasında paketleme, ağırlık ve palet ölçülerininde belirtilmesi gereklidir.

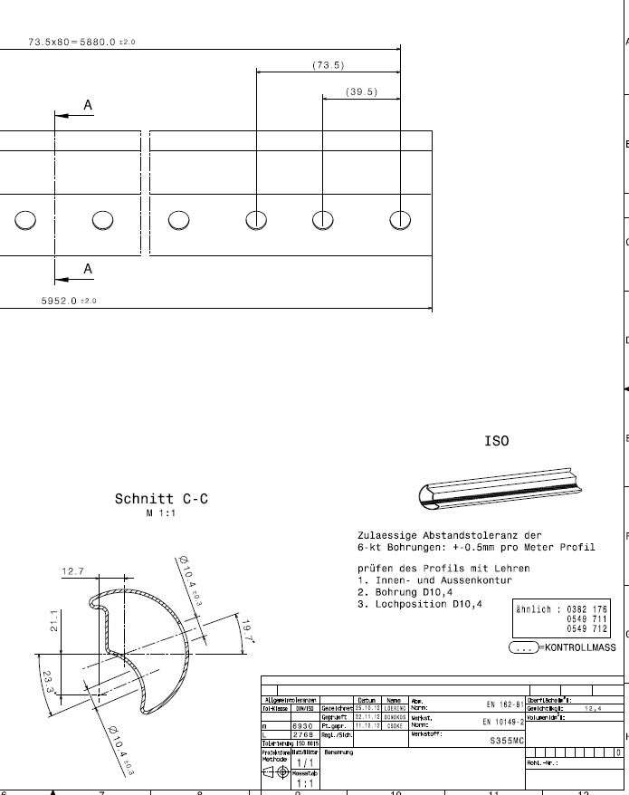
Proje No: 8
Parça Adı: özel profilli çelik boru
Resim Numarası: 0525 0741
İstenen Adet: Excel tablosuna göre, farklı boylarda. Yılda 4 kez alım yapılacaktır.
Ödeme: teklif fiyatına göre daha sonra anlaşma yapılacaktır.
Excel tablodaki sıralamaya göre, tüm miktar 1 yıl içinde, 4 siparişte alınacaktır. Boru çekme kalıbı (roll forming), boru birim fiyatı, delik delme fikstürü ve delik delme işlemi fiyatlarını ayrıntılı verebilirsiniz. Lütfen ihracat kayıtlı, KDV'siz ve Euro olarak teklif veriniz. Teklif esnasında paketleme, ağırlık ve palet ölçülerininde belirtilmesi gereklidir.
