19-09-2008
407
FSN
İstanbul
|
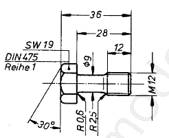
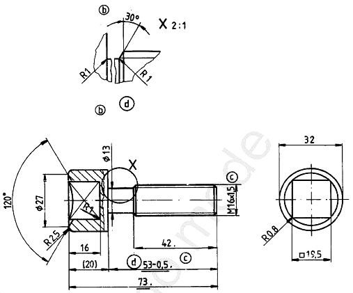
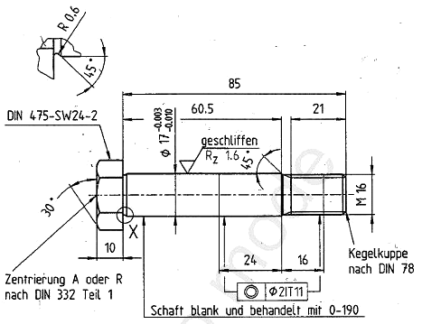
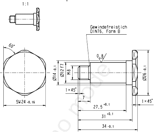
17 farklı parçanın toplam 8.665 adet imalatı?..
Teknik resimleri verilen 17 farklı parçanın tabloda belirtilen adetlerde (toplam 8.665 adet) imalatı için tekliflerinizi bekliyoruz. (Ürünler tek seferlik alım içindir)

Not: Parçalara ait detaylı teknik resimleri toplu olarak indirmek için tıklayınız:
xxxxx.zip (1,4MB) (üyelik gereklidir) |

009-221-600-019_1_01_01_ZE_D0411

2300109-092120-002-6_1_01_B_ZE_D1839

2300109-120000-003-0_1_01_A_ZE_D1839

2300109-182003-001-0_1_01_ZE_D1839

2300109-288700-007-0_1_01_ZE_D1839

2300232-209300-002-0_1_01_A_ZE_D1839

2300279-9840-01_1_01_D_ZE_D1839

2300285-187000-006-0_1_01_ZE_D1839

2300348-183000-012-0_1_01_B_ZE_D1839

23111-9645-02_1_01_2_ZE_D1839

2360-025000-02-0_1_01_C_ZE_D1839

2500075-321000-04-0_1_01_B_ZE_D1839

2500262-191600-012-0_1_01_C_ZE_D1839

25704-270800-18-0_1_01_C_ZE_D1839

25704-270800-19-0_1_01_A_ZE_D1839

5562647_1_01_B_ZE_D9434

873_990_03_40_1_01_C_ZE_D8266