27-08-2008
395
KLP
Kocaeli
|
7 farklı sac parça için kesme ve form kalıpları imalatı?..
Teknik resimlerde görülen 7 farklı sac parça için kesme ve form kalıpları imalatı yapabilecek firmaların tekliflerini bekliyoruz. Detaylar ve baskı adetleri resimlerin altında belirtilmiştir?..
Not: Teknik resimleri ve açıklamaları pdf formatında indirmek için tıklayınız; (üyelik gerekir) |

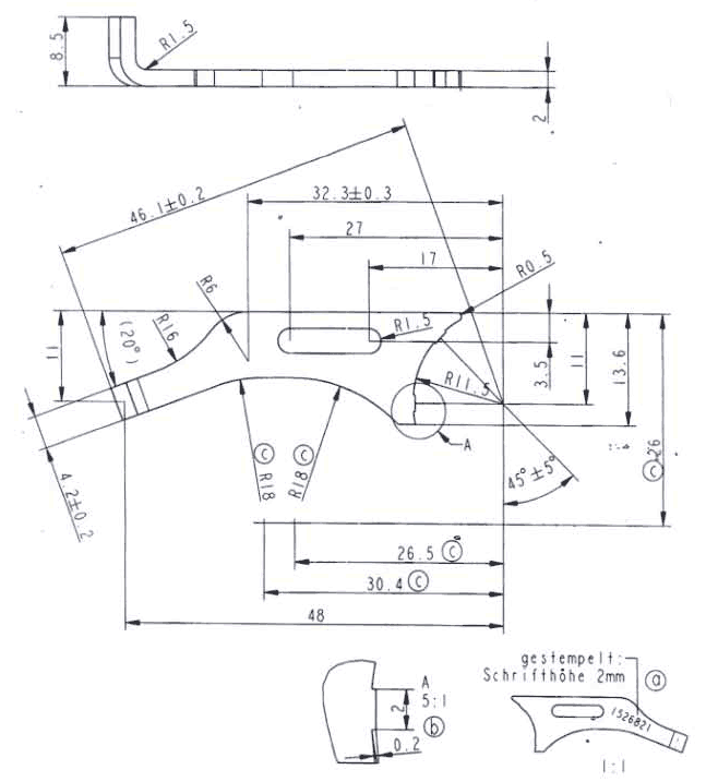
KALIP YAPTIRILACAK
BANTTAN DELME+AÇINIM KESME
MALZEME: S355MC/DC01/StW22
BASILACAK ADET AYLIK: 150.000

KALIP İSTEĞİ
ALTERNATİF: 2 OP. KALIP İÇİN DE FİYAT VERİNİZ
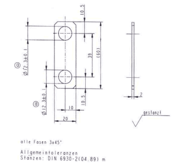
MALZEME : S235JRO2
BASILACAK ADET: 75.000 ADET/AY
BANTTAN DELME+BOY KESME KALIBI
ALTERNATİF: BANTTAN DELME +AÇINIM KESME
MALZEME:S235JRG2C+C1,0122
BASILACAK ADET: 5.000 ADET /AY
BANTTAN DELME +AÇINIM KESME
KALIBI FİYAT İSTEĞİ
MALZEME S355MC-S340MC-StW22

BANTTAN DELME + BOY KESME
+ FORM KALIBI
MALZEME: DC01+LC

BANTTAN DELME + BOY KESME
+ FORM KALIBI
MALZEME: DC01+LC-S235JRG2C+C

BANTTAN DELME + AÇINIM KESME +
FORM KALIBI
MALZEME: DC01
BASILACAK ADET: 50.000 ADET /AY