|
23-11-2006
123
FSN
Ankara |
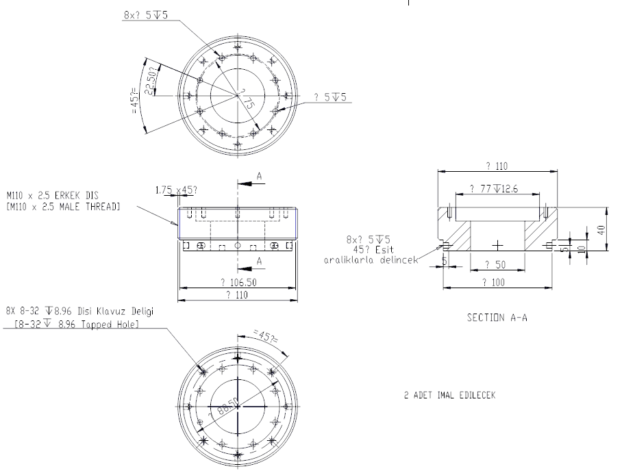
Özel bir cihaz için 41 farklı parçanın talaşlı
imalatı?..
Tasarladığımız özel bir cihazın üretimi için gerekli
41 farklı parçanın talaşlı imalatı için ilgili firmaların
acil tekliflerini bekliyoruz.
DWG
formatlı tüm teknik resimler indirmek için üye
olmalısınız.
6061 T6 alüminyum ve paslanmaz çelik malzemeden tornalama,
frezeleme ve sac bükümle hassas olarak imalatı gerekli bu
parçaların üretim adetleri resimlerin üzerinde belirtilmiştir.
Bazı parçalara ait teknik resimler ise aşağıda görülebilir; |

50mm_149cmL
.gif)
BAU-PPM-001_(L_Detector_Left_Side_Plate)
.gif)
BAU-PPM-005_(Aspheric_Lens_Front_Holder)
.gif)
MD-BAU-PL-001_(BAU BOTTOM PLATE)
.gif)
MD-BAU-PL-005_(BAU LSM MOUNTING PLATE)

MD-T2UL-PART-001

MD-XY-PL-001_XY UNIT BOTTOM PLATE
.gif)
MD-XY-PL-004_(XY SCANNER RIGHT PLATE)
.gif)
MDLSM-0010_(Detector_Sheet_Metal)
.gif)
MDLSM-001_(lasermodule_BP_Bottom)
.gif)
MDLSM-002_(Laser_Module_BP_Top)
|